HELP! Is a 3 Way Valve for Chemical Injection needed?

Bill P

Member
Joined
Apr 15, 2016
Messages
14
Name
Bill Pennington
Is a 3 way valve needed if your installing Last Step Chemical Injection to a General Pump to bleed the chemical system? So far I have purchased a General Pump Pulse Pump part#100906 and the pulse pump adapter. My machine already has a Dwyer meter. Do I need an additional check valve as well? Suggestions on how to plumb this would be appreciated. Other ideas? Machine is a 2015 EZ3547. Thank you!
 
J

JS41035

Guest
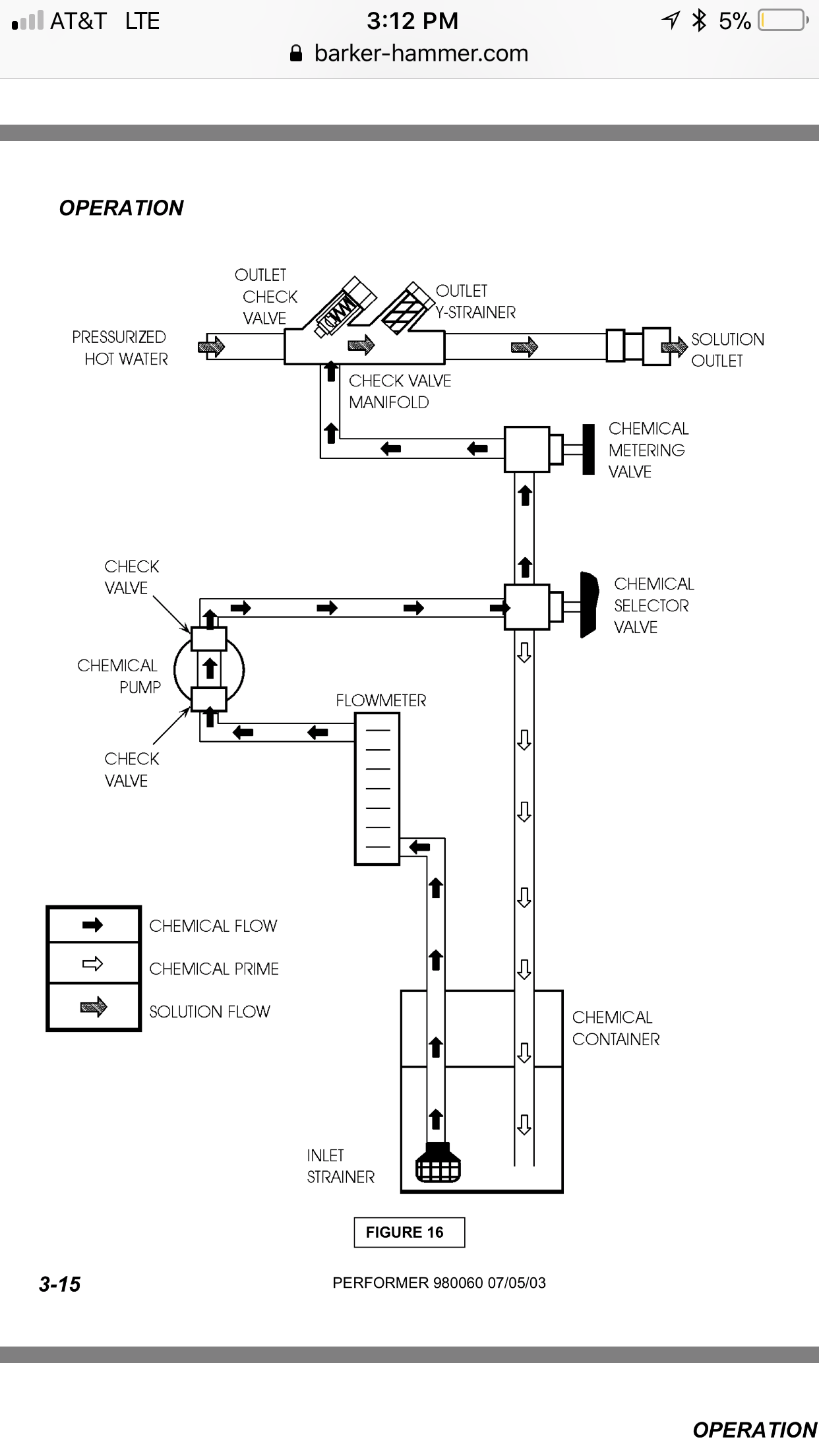
02A871F2-32C7-46A6-906C-89F5DAA786FD.png Yes. You need a 3 way valve. On/ off and prime.
Prime hose can be ran back to the chemical jug.
88BBC6B0-8B53-4DF4-8085-7F319F8B2092.png
 
  • Like
Reactions: Nomad74 and Bill P

Nomad74

Boy Sprout
Joined
Feb 4, 2016
Messages
24,146
I love this place for this reason alone.


Justin, Charge your phone. 5% is unacceptable.
 
  • Like
Reactions: Bill P

Latest posts

Back
Top Bottom